Black Bakelite Bolt Down Type Car ANM Automotive Auto High Current 200A 400A 500A 300 AMP Fuse
Specifications
1. Rated Current: 40A to 500A;
2. Interrupting Rating: 2000A@32VDC;
3. Voltage Rating: 32VDC;
4. Operating Temperature Range: -40C ~ 125C;
5. Terminals: Copper/Zn alloy.
6. Housing Material: PA66/PPA(33% or 35%GF);
7. Mounting torque: 12- 18Nm W/M8;
Functional Characteristics
| TESTING CURRENT | BLOW TIME LIMIT |
| 100% | 4 Hr. minimum |
| 135% | 1 20seconds--- 1800seconds |
| 200% | 1seconds --- 15 seconds |
| 350% | 0.3sec-5sec |
| 600% | 0.1seC- 1sec |
Fuse List
| ITEM | ITEM | RATING | ASSEMBLY P/N |
| 1 | 32V | 40A * | ANM-40A |
| 2 | 32V | 60A * | ANM-60A |
| 3 | 32V | 80A | ANM-80A |
| 4 | 32V | 100A | ANM-100A |
| 5 | 32V | 125A | ANM-125A |
| 6 | 32V | 150A | ANM-150A |
| 7 | 32V | 175A | ANM-175A |
| 8 | 32V | 200A | ANM-200A |
| 9 | 32V | 250A | ANM-250A |
| 10 | 32V | 300A ** | ANM-300A |
| 11 | 32V | 350A ** | ANM-350A |
| 12 | 32V | 400A ** | ANM-400A |
| 13 | 32V | 450A ** | ANM-450A |
| 14 | 32V | 500A ** | ANM-500A |
8. Standard: IS08820-5/UL248 special purpose fuses;
9. "*" not mentioned in ISO standards;
10. "**" is only for short circuit protector.
Description
ANM Bakelite Fuse is designed for high current circuit protection up to 500A. ANM Fuse also provides time delay characteristics. This fuse is ideal for battery and alternator protection application and other heavy gauge cables requiring ultra-high current protection.
Features
* Reliable Circuit Protection
* High Conductivity Plating
* Maximum Current Transfer
* 40-500 Amp - 5pcs/Pack
* MEGA style fuses
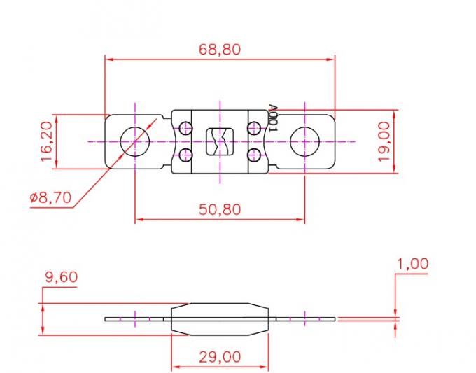
Drawing(Unit:mm)




Are you looking for a reliable and high-quality car fuse to protect your vehicle's electrical system? Look no further than our Car Fuse, designed for superior performance and durability.
Our Car Fuse is specifically designed to meet the needs of today's modern vehicles. With a voltage rating of 32 Volts, it is suitable for a wide range of automotive applications. And with its low breaking capacity, it provides reliable protection for your vehicle's electrical system.
Our Car Fuse is available in a variety of sizes and configurations to meet the specific needs of your vehicle. Whether you need a 5A, 10A, 20A, or 40A fuse, we have you covered. And with its high temperature resistance standard, you can trust that our fuse will perform even in the most extreme conditions.
The nylon PA66 housing with long legs provides added protection and stability for the fuse, ensuring it stays in place and does its job effectively. And with its high quality zinc alloy metal construction, our Car Fuse is built to last and withstand the rigors of daily use.
So don't wait until it's too late. Protect your vehicle's electrical system with our reliable and high-quality Car Fuse. Contact us today to get the best price and ensure your vehicle stays running safely and efficiently for years to come.
| Key Features | Specifications |
|---|---|
| Rated Current | 20A-120A |
| Voltage Rating | 32 Volts |
| Shape | Blade Type |
| Size | 29.3x34.1x8.8mm |
| Usage | Automotive |
| Metal | Zinc Alloy |
| Terminal Type | Blade |
| Standards | According To SAE J1888 |
| Body | PC/PA |
| Break Speed | Fast |
| Product Name | Car Fuse |
| Compatible Current | 5A, 10A, 15A, 20A, 30A, 40A |
| Compatible Voltage | 32V DC |
| LED Indicator | Yes |
| Fuse Type | ATO, ATC |
| Terminal Type | 3 Terminal Tiny Blade Legs |
| Usage | Automotive |
| Protection Type | Automotive |
The Car Fuse by LINKUN is a high-quality automotive fuse designed for various types of vehicles. With its blade type shape, it is perfect for modern cars, trucks, and SUVs. Manufactured in China, it follows the standards set by SAE J1888 and is made of durable PC/PA material.
The Car Fuse by LINKUN is available in various sizes to suit different needs. Some of the sizes include:
Brand Name: LINKUN
Model Number: ATM
Place of Origin: China
Metal: Zinc Alloy
Size: 29.3x34.1x8.8mm
Body: PC/PA
Usage: Automotive
Shape: Blade Type
At LINKUN, we understand the importance of customized solutions for our customers. That's why we offer a wide range of options for our Car Fuse, including:
Our team of experts will work closely with you to ensure that your customized Car Fuse meets your specific needs and requirements. Contact us today to get the best price for your customized Car Fuse!
Our Car Fuse comes in a sturdy and compact packaging, ensuring the safety and protection of the product during shipping. The packaging is designed to be easy to open and handle, making it convenient for customers to access the product.
Each Car Fuse is individually wrapped and labeled with its specifications, including the fuse rating, type, and quantity. This makes it easy for customers to identify the product and its intended use.
Our packaging also includes instructions for installation and usage, making it user-friendly for both professional and DIY car owners.
For shipping, we use reliable and efficient carriers to ensure timely delivery of the product to our customers. Our packaging is designed to withstand the rigors of transportation and protect the product from any damage.
We also offer bulk packaging options for customers who require a larger quantity of Car Fuses. These bulk packages are securely packed and labeled for easy identification.
At Car Fuse, we prioritize the safety and satisfaction of our customers. That's why we take extra care in packaging and shipping our products to ensure they arrive in perfect condition.